|
|
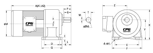
CH(卧式)减速马达
|
CH..S (CH..SB ) 臥式附三相鋁殼(剎車)馬達減速機


單位(mm)
|
出力軸尺寸 |
|
出力軸 |
鍵槽 |
鍵 |
|
Sh6 |
P |
W |
T |
Q |
SPEC' |
|
∮18 |
30 |
5 |
20.2 |
27 |
5*5*27 |
|
∮22 |
40 |
7 |
25 |
35 |
7*7*35 |
|
∮28 |
45 |
7 |
31.1 |
40 |
7*7*40 |
|
∮32 |
55 |
10 |
35.5 |
50 |
10*8*50 |
|
∮40 |
65 |
10 |
43.5 |
60 |
10*8*60 |
|
∮50 |
80 |
14 |
54 |
75 |
14*9*75 |
|
馬力 |
減速比 |
本體 |
型番(S) |
A |
A1 |
A2 |
D |
E |
F |
G |
H |
J |
K |
L |
M |
X |
Y |
Z |
|
100W 1/8HP |
3-50 |
1# |
18 |
250 |
250 |
250 |
40 |
110 |
135 |
65 |
9 |
16 |
50 |
10.5 |
133 |
138 |
88.5 |
120 |
|
60-200 |
2# |
22 |
280 |
280 |
280 |
65 |
130 |
158 |
90 |
11 |
17.5 |
60 |
13 |
133 |
152 |
97.5 |
120 |
|
200W 1/4HP |
3-10 |
1# |
18 |
285 |
285 |
285 |
400 |
110 |
135 |
65 |
9 |
16 |
50 |
10.5 |
133 |
138 |
88.5 |
120 |
|
15-90 |
2# |
22 |
315 |
315 |
315 |
65 |
130 |
158 |
90 |
11 |
17.5 |
60 |
13 |
133 |
152 |
97.5 |
120 |
|
100-200 |
3# |
28 |
350 |
350 |
350 |
90 |
140 |
178 |
120 |
11 |
23 |
68 |
17 |
133 |
178 |
116 |
120 |
|
400W 1/2HP |
3-10 |
2# |
22 |
330 |
330 |
330 |
65 |
130 |
158 |
90 |
11 |
17.5 |
60 |
13 |
167 |
152 |
97.5 |
135 |
|
15-90 |
3# |
28 |
360 |
360 |
360 |
90 |
140 |
178 |
120 |
11 |
23 |
68 |
17 |
167 |
178 |
116 |
135 |
|
100-200 |
4# |
32 |
395 |
395 |
395 |
130 |
170 |
215 |
165 |
13 |
30 |
70 |
21 |
167 |
216 |
138.5 |
135 |
|
750W 1HP |
3-25 |
3# |
28 |
380 |
380 |
380 |
90 |
140 |
178 |
120 |
11 |
23 |
68 |
17 |
167 |
178 |
116 |
135 |
|
30-120 |
4# |
32 |
410 |
410 |
410 |
130 |
170 |
215 |
165 |
13 |
30 |
70 |
21 |
167 |
216 |
138.5 |
135 |
|
125-200 |
5# |
40 |
465 |
465 |
465 |
150 |
210 |
265 |
205 |
15 |
36 |
85 |
23 |
167 |
250 |
160 |
135 |
|
1500W 2HP |
3-30 |
4# |
32 |
450 |
450 |
450 |
130 |
170 |
215 |
165 |
13 |
30 |
70 |
21 |
192 |
216 |
138.5 |
146 |
|
40-100 |
5# |
40 |
510 |
510 |
510 |
150 |
210 |
265 |
205 |
15 |
36 |
85 |
23 |
192 |
250 |
160 |
146 |
|
110-180 |
6# |
50 |
560 |
560 |
560 |
170 |
265 |
335 |
230 |
18 |
51 |
120 |
30 |
192 |
306 |
200 |
146 |
|
2200W 3HP |
3-40 |
5# |
40 |
520 |
520 |
520 |
150 |
210 |
265 |
205 |
15 |
36 |
83 |
23 |
220 |
250 |
160 |
160 |
|
45-100 |
6# |
50 |
580 |
580 |
580 |
170 |
265 |
335 |
230 |
18 |
51 |
121 |
30 |
220 |
306 |
200 |
160 |
|
3700W 5HP |
3-10 |
5# |
40 |
560 |
560 |
560 |
150 |
210 |
265 |
205 |
15 |
36 |
85 |
23 |
220 |
250 |
160 |
160 |
|
15-60 |
6# |
50 |
620 |
620 |
620 |
170 |
265 |
335 |
230 |
18 |
51 |
120 |
30 |
220 |
306 |
200 |
160 |
| 備註: |
A |
:三相鋁殼馬達 |
| A1 |
:三相鐵殼馬達 |
| A2 |
:三相馬達附剎車器 |
|
【关闭窗口】
|